Views: 0 Author: Site Editor Publish Time: 2022-01-06 Origin: Site
I Specifications and Parameters
1.Specifications
TYPE | CLASS | RATED OLTAGE | STANDARD CURRENT |
Three Phase Three Wire | Class 1.0 Class 2.0 | 3×100V | 3×1.5(6)A |
3×380V | 3×1.5(6)A | ||
Three Phase Four Wire | 3×57.7/100V | 3×1.5(6)A | |
3×220/380V | 3×1.5(6)A | ||
3×2.5(10)A | |||
3×5(20)A | |||
3×10(60)A 3×15(60)A | |||
3×20(80)A 3×30(100)A |
2. Basic Error(balanced load basic error limit)
Current Value | Power Factor(COSφ) | Error limit(%) | ||
Direct Connection | CT Connection | Class1 | Class2 | |
0.05Ib≤I<0.1Ib | 0.02In≤I<0.05In | 1.0 | ±1.5 | ±2.5 |
0.1Ib≤I<Imax | 0.05In≤I<Imax | 1.0 | ±1.0 | ±2.0 |
0.1Ib≤I<0.2Ib | 0.05In≤I<0.1In | 0.5(Inductive) | ±1.5 | ±2.5 |
0.8(Capacitive) | ±1.5 | — | ||
0.2Ib≤I≤Imax | 0.1In≤I≤Imax | 0.5(Inductive) | ±1.0 | ±2.0 |
0.8(Capacitive) | ±1.0 | — | ||
Note:(Ib is basic current In is rated current Imax is maximum current)
The error limit(%) between each current point with unbalanced load: Class1,±2.0; Class2,±3.0
3.Starting
When the rated voltage, rated frequency and power factor is 1.0, the loaded current is 0.004Ib(class1)、0.005Ib(class2), the meter shall starts and measures energy continuously.
4.Creeping
When the voltage circuit is loaded with a voltage 1.15 times of the rated voltage and there is no current in the current circuit, the meter is supposed not to output more than one pulse.
5.Working Voltage Range
Normal Working Voltage:0.9Un~1.1Un
Working Voltage Limit:0.0Un~1.15Un
6.Power Loss
Power loss of the voltage line in each phase≤2W/10VA
Power loss of the current line in each phase≤4.0VA
7.Environment condition
standard working temperature:-10℃~+45℃,
working temperature limit:-25℃~+55℃
Storage and transport temperature limit:-25℃~+70℃
Relative humidity: annual average≤75%
8.Configuration and Dimension
9.Safety Performance
The product meets each safety index and requirement stipulated in GB/T 17215-2008
Display
10.The Energy is displayed on LCD in 7 digits, when the meter is on , it will first display the constant and then display the total energy as below.
IV.Functions
1.Energy Measurement
It measures total active energy.With three phase power supply, the meter will keep measuring energy accurately even with one or two phases cut off.
2.Pulse output interface
Passive pulse output interface with optocoupler isolation. The pulse width is 80ms.
Schematic diagram of active pulse test port
3.Phase missing indication function
Three light indicators are used to indicate whether there is phase missing. Indicators A, B, and C indicate the missing of Phase A, Phase B and Phase C correspondingly.
4.Communication Function
The meter has IR and RS485 interfaces. It is very convenient and reliable for the users to read the data via communication interface. The Baud rate of RS 485 9600.
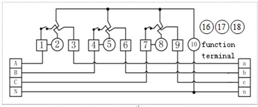
V. Installation and
Terminal Wiring


